• KHL 系列行星式減速機
  • KHL 系列行星式減速機

KHL 系列行星式減速機

KHL產品應用於精密定位或往復定位,穩定將動力平穩輸出於振動極小的自動化設備上,如:印刷產業、彎管設備、彈簧機產業、LCD檢驗設備、連結滾珠導螺桿傳動結構上…等
背隙:一段4~7弧分,二段6~9弧分
額定扭力:29~236 N-M

KHL產品應用於精密定位或往復定位,穩定將動力平穩輸出於振動極小的自動化設備上,如:印刷產業、彎管設備、彈簧機產業、LCD檢驗設備、連結滾珠導螺桿傳動結構上…等
背隙:一段4~7弧分,二段6~9弧分
額定扭力:29~236 N-M


KHL 產品構造特點介紹
03.jpg

KHL 減速機型號
04.jpg

KHL 減速比組成

05.jpg

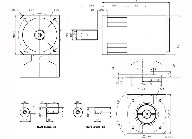
KHL L1 尺寸圖
06.jpg
Size(mm)  KHL60-L1 KHL90-L1 KHL120-L1
C1 14 (6~14) 19 (14~24) 24 (16~24)
C2 50 70 110
C3 70 90 145
C4 M5x0.8P M6x1.0P M8x1.25P
C5 38 43 66
C6 6 7 19.5
C7 4 5 7
C8 12 14 28
C9 45 53 77.5
C10 62 92 122.7
C11 85 120 161.5
D1 16 22 32
D2 M5x0.8P M6x1.0P M8x1.25P
D3 12 15 20
D4 18 25 35
D5 50 80 110
D6 70 100 130
D7 5.5 6.8 8.7
D8 1.5 1 1
D9 7.5 10 12
D10 10 12 15
D11 60 92 120
D12 80 118 158
D13 35.5 50 65
D14 49 58 69
H1 5 6 10
H2 18 24.5 35
H3 3 3 3
H4 20 25 40
L1 114 157 194
L2 105 145 197.5
L3 31 46 60
以上C1~C11為標準的連接法蘭尺寸,實際尺寸會因馬達型號不同而變動


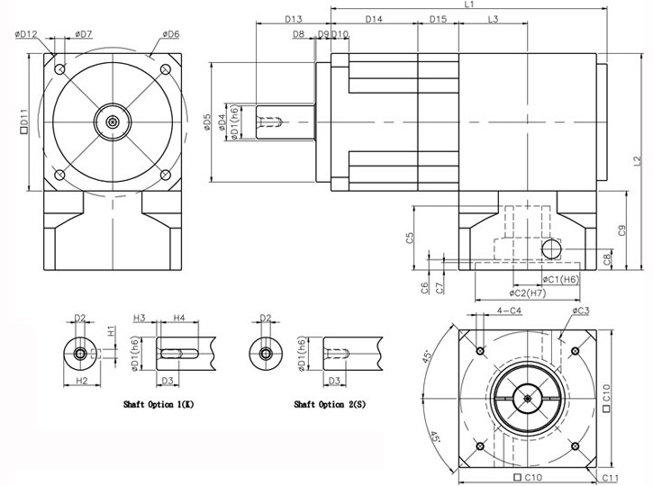
KHL L2 尺寸圖
07.jpg

Size(mm)  KHL60-L2 KHL90-L2 KHL120-L2
C1 14 (6~14) 19 (14~24) 24 (16~24)
C2 50 70 110
C3 70 90 145
C4 M5x0.8P M6x1.0P M8x1.25P
C5 38 43 66
C6 6 7 19.5
C7 4 5 7
C8 12 14 28
C9 45 53 77.5
C10 62 92 122.7
C11 85 120 161.5
D1 16 22 32
D2 M5x0.8P M6x1.0P M8x1.25P
D3 12 15 20
D4 18 25 35
D5 50 80 110
D6 70 100 130
D7 5.5 6.8 8.7
D8 1.5 1 1
D9 7.5 10 12
D10 10 12 15
D11 60 92 120
D12 80 118 158
D13 35.5 50 65
D14 49 58 69
D15 16 27.5 33.2
H1 5 6 10
H2 18 24.5 35
H3 3 3 3
H4 20 25 40
L1 130 184.5 227.2
L2 105 145 197.5
L3 31 46 60
以上C1~C11為標準的連接法蘭尺寸,實際尺寸會因馬達型號不同而變動

KHL 技術規格總表

規格 單位 段數 減速比 KHL60 KHL90 KHL120
額定輸出扭矩 T2N Nm L1 3 34 116 228
4 35 120 236
5 34 117 229
6 33 113 222
7 33 110 214
8 35 100 236
9 31 107 203
10 29 94 184
14 33 110 214
20 29 94 184
L2 25 34 117 229
30 34 113 228
35 34 117 229
40 35 120 236
45 31 107 203
50 34 117 229
60 33 113 222
70 33 110 214
80 100
90 31 107 203
100 29 94 184
120 33 113 222
140 29 94 184
180 31 107 203
200 29 94 184
急停扭矩 Nm L1,L2 3~200 3倍額定輸出扭矩
額定輸入轉速 N1N rpm L1,L2 3~200 3,000 3,000 2,500
最大輸入轉速 N1B  rpm L1,L2 3~200 6,000 6,000 5,000
精密背隙 H arcmin L1 3~20 4 4 4
L2 25~200 7 7 7
標準背隙 M arcmin L1 3~20 6 6 6
L2 25~200 9 9 9
扭轉剛性 Nm/arcmin L1,L2 3~200 4 11 35
容許徑向力 F2rB2 N L1,L2 3~200 1,328 2,340 4,000
容許軸向力F2aB2 N L1,L2 3~200 664 1,170 2,000
保固期 M L1,L2 3~200 18個月
全負載時效率 % L1 3~20 94%
L2 25~200 91%
淨重 kg L1 3~20 2.26 6.85 13.5
L2 25~200 2.56 8.05 15.88
使用溫度 °C L1,L2 3~200 - 10°C ~ + 90ºC
潤滑 L1,L2 3~200 鋰基複合全合成潤滑油脂
安裝方向 L1,L2 3~200 任意方向
防護等級 L1,L2 3~200 IP65
噪音值 dBA L1,L2 3~200 65 65 68
1. 上述單段減速機(未指定比數)相關規格,主要為使用各型號5比減速機所測得之數據
2. 減速比:i = 輸入轉速/輸出轉速
3. 背隙值:為在2%額定輸出扭矩下測試所得之數據
4. 最大徑向力及最大軸向力:施力於出力軸中心位置,週期負載時間50%,輸出轉速100rpm,條件下所測得之數據
5. 運轉負載週期<60%狀況下,平均使用壽命如列表數據值;負載週期≧60%之連續運轉 狀況下,平均使用壽命可能會降低至   
    正常值的50%以下
6. 噪音值 :距離1公尺,空載運轉,額定輸入轉速,條件下所測得之數據


KHL 轉動慣量總表

機型 入力齒輪比 轉動慣量J1       kg*cm²
KHL60 1:1 0.11
1:2 0.10
KHL90 1:1 1.31
1:2 1.15
KHL120 1:1 2.91
1:2 2.48


相關產品

產品介紹