KX 減速比組成
| 減速機各段可選擇基本齒輪比數 | |||
| 型號 | 第一段齒輪比數 | 第二段齒輪比數 | 第三段齒輪比數 |
| KX40 | 3,4,5,6,7,8,10 | 5 | - |
| KX60 | 3,4,5,7,10 | 4,5,7,10 | 4,5,7,10 |
| KX90 | 3,4,5,7,10 | 4,5,7,10 | 4,5,7,10 |
| KX120 | 3,4,5,7,10 | 4,5,7,10 | 4,5,7,10 |
| KX150 | 3,4,5,6,7,10 | 4,5,7,10 | 4,5,7,10 |
| KX180 | 3,4,5,7,10 | 4,5,7,10 | 4,5,7,10 |
| KX220 | 4,5,7,10 | 4,5,7,10 | 4,5,7,10 |
| 一段式減速比(L1) = 第一段齒輪比數 | |||
| 二段式減速比(L2) = 第一段齒輪比數 x 第二段齒輪比數 | |||
| 三段式減速比(L3) = 第二段齒輪比數 x 第三段齒輪比數 | |||
| 例:一段式減速比 (L1) 5:1 = 第一段齒輪比 5 = 5 比 | |||
| 例 : 二段式減速比 (L2) 50:1 = 第一段齒輪比 5 x 第二段減速比 10 = 50 比 | |||
| 例 : 三段式減速比 (L3) 500:1 = 第一段齒輪比 5 x 第二段減速比 10 x 第三段減速比 10 = 500 比 | |||
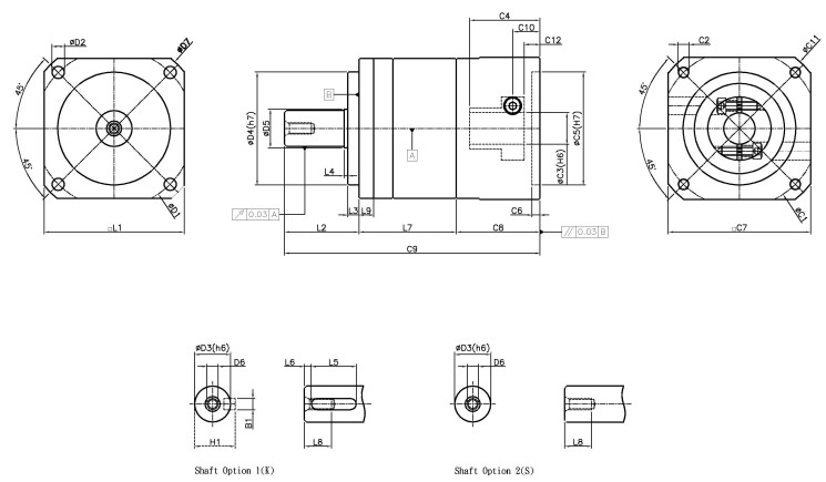
| Size(mm) | KX40-L1 | KX60-L1 | KX90-L1 | KX120-L1 | KX150-L1 | KX180-L1 | KX220-L1 |
| D1 | 50 | 70 | 100 | 130 | 165 | 215 | 250 |
| D2 | 3.5 | 5.5 | 6.5 | 8.8 | 11 | 13 | 17 |
| D3 | 13 | 16 | 22 | 32 | 38 | 50 | 75 |
| D4 | 35 | 50 | 80 | 110 | 130 | 160 | 180 |
| D5 | 15 | 17 | 25 | 35 | 40 | 60 | 80 |
| D6 | M4x0.7P | M5x0.8P | M6x1.0P | M8x1.25P | M12x1.75P | M12x1.75P | M20X2.5P |
| D7 | 60 | 80 | 118 | 160 | 190 | 245 | 292 |
| L1 | 46 | 62 | 86 | 120 | 142 | 182 | 220 |
| L2 | 26 | 33 | 46 | 69.5 | 75 | 95 | 123 |
| L3 | 5.5 | 5 | 5 | 10 | 4 | 10 | 15 |
| L4 | 1 | 1.5 | 1 | 0.5 | 3 | 2 | 3 |
| L5 | 15 | 20 | 25 | 40 | 45 | 70 | 90 |
| L6 | 2 | 3 | 3 | 3 | 5 | 6 | 7 |
| L7 | 33 | 43 | 53.5 | 70.5 | 90 | 95.5 | 123.5 |
| L8 | 8 | 12 | 15 | 20 | 32 | 42 | 52 |
| L9 | 9.5 | 6.5 | 7 | 15 | 15 | 15 | 20 |
| C1 | 46 | 70 | 90 | 145 | 200 | 200 | 235 |
| C2 | M4x0.7P | M5x0.8P | M6x1.0P | M8x1.25P | M12x1.75P | M12x1.75P | M12x1.75P |
| C3 | 7~8 | 6~14 | 14~19 | 16~24 | 19~35 | 19~42 | 35~55 |
| C4 | 26 | 31 | 44 | 66 | 88 | 85 | 128 |
| C5 | 30 | 50 | 70 | 110 | 114.3 | 114.3 | 200 |
| C6 | 4 | 3.5 | 5 | 7 | 6 | 10 | 10 |
| C7 | 46 | 63 | 90.34 | 122.03 | 176 | 182 | 220 |
| C8 | 32.5 | 37 | 53 | 76.5 | 97.5 | 100 | 148 |
| C9 | 91.5 | 113 | 152.5 | 216.5 | 262.5 | 290.5 | 394.5 |
| C10 | 11 | 12 | 13.5 | 28 | 38.5 | 33.5 | 44 |
| C11 | 60 | 80 | 115.91 | 161.36 | 230 | 230 | 295 |
| C12 | 6 | 6 | 6.5 | 19.5 | 26.5 | 17 | 27.5 |
| B1 | 4 | 5 | 6 | 10 | 10 | 14 | 20 |
| H1 | 14.5 | 18 | 24.5 | 35 | 41 | 53.5 | 79.5 |
| 以上C1~C12為標準連接法蘭尺寸,實際尺寸會因馬達型號不同而變動。 | |||||||
| KX40-L2 | KX90-L2 | KX120-L2 | KX150-L2 | KX180-L2 | KX220-L2 | KX180-L2 | KX220-L2 |
| D1 | 50 | 70 | 100 | 130 | 165 | 215 | 250 |
| D2 | 3.5 | 5.5 | 6.5 | 8.8 | 11 | 13 | 17 |
| D3 | 13 | 16 | 22 | 32 | 38 | 50 | 75 |
| D4 | 35 | 50 | 80 | 110 | 130 | 160 | 180 |
| D5 | 15 | 17 | 25 | 35 | 40 | 60 | 80 |
| D6 | M4x0.7P | M5x0.8P | M6x1.0P | M8x1.25P | M12x1.75P | M12x1.75P | M20X2.5P |
| D7 | 60 | 80 | 118 | 160 | 190 | 245 | 292 |
| L1 | 46 | 62 | 86 | 120 | 142 | 182 | 220 |
| L2 | 26 | 33 | 46 | 69.5 | 75 | 95 | 123 |
| L3 | 5.5 | 5 | 5 | 10 | 4 | 10 | 15 |
| L4 | 1 | 1.5 | 1 | 0.5 | 3 | 2 | 3 |
| L5 | 15 | 20 | 25 | 40 | 45 | 70 | 90 |
| L6 | 2 | 3 | 3 | 3 | 5 | 6 | 7 |
| L7 | 33 | 43 | 53.5 | 70.5 | 90 | 95.5 | 123.5 |
| L8 | 8 | 12 | 15 | 20 | 32 | 42 | 52 |
| L9 | 9.5 | 6.5 | 7 | 15 | 15 | 15 | 20 |
| L10 | 19 | 16 | 23.5 | 27.2 | 46 | 51.5 | 56.5 |
| C1 | 46 | 70 | 90 | 145 | 200 | 200 | 235 |
| C2 | M4x0.7P | M5x0.8P | M6x1.0P | M8x1.25P | M12x1.75P | M12x1.75P | M12x1.75P |
| C3 | 7~8 | 6~14 | 14~19 | 16~24 | 19~35 | 19~42 | 35~55 |
| C4 | 26 | 31 | 44 | 66 | 88 | 85 | 128 |
| C5 | 30 | 50 | 70 | 110 | 114.3 | 114.3 | 200 |
| C6 | 4 | 3.5 | 5 | 7 | 6 | 10 | 10 |
| C7 | 46 | 63 | 90.34 | 122.03 | 176 | 182 | 220 |
| C8 | 32.5 | 37 | 53 | 76.5 | 97.5 | 100 | 148 |
| C9 | 110.5 | 129 | 176 | 243.7 | 308.5 | 342 | 450.5 |
| C10 | 11 | 12 | 13.5 | 28 | 38.5 | 33.5 | 44 |
| C11 | 60 | 80 | 115.91 | 161.36 | 230 | 230 | 295 |
| C12 | 6 | 6 | 6.5 | 19.5 | 26.5 | 17 | 27.5 |
| B1 | 4 | 5 | 6 | 10 | 10 | 14 | 20 |
| H1 | 14.5 | 18 | 24.5 | 35 | 41 | 53.5 | 79.5 |
| 以上C1~C12為標準連接法蘭尺寸,實際尺寸會因馬達型號不同而變動。 | |||||||
| 規格 | 單位 | 段數 | 減速比 | KX40 | KX60 | KX90 | KX120 | KX150 | KX180 | KX220 |
| 額定輸出扭矩 T2N | Nm | L1 | 3 | 13 | 19 | 73 | 145 | 652 | 1,090 | ― |
| 4 | 14 | 19 | 76 | 150 | 690 | 1,153 | 1,545 | |||
| 5 | 13 | 19 | 76 | 150 | 644 | 1,080 | 1,448 | |||
| 6 | 14 | ― | ― | ― | 643 | ― | ― | |||
| 7 | 13 | 18 | 78 | 154 | 605 | 1,007 | 1,348 | |||
| 8 | 11 | ― | ― | ― | ― | ― | ― | |||
| 9 | ― | ― | ― | ― | ― | ― | ― | |||
| 10 | 12 | 15 | 80 | 158 | 515 | 854 | 1,141 | |||
| L2 | 15 | 13 | 19 | 73 | 145 | 652 | 1,090 | ― | ||
| 20 | 14 | 19 | 76 | 150 | 690 | 1,153 | 1,545 | |||
| 25 | 13 | 19 | 76 | 150 | 644 | 1,080 | 1,448 | |||
| 30 | 14 | 19 | 73 | 145 | 643 | 1,090 | ― | |||
| 35 | 13 | 19 | 76 | 150 | 644 | 1,080 | 1,448 | |||
| 40 | 11 | 19 | 76 | 150 | 690 | 1,153 | 1,545 | |||
| 45 | ― | ― | ― | ― | ― | ― | ― | |||
| 50 | 12 | 19 | 76 | 150 | 644 | 1,080 | 1,448 | |||
| 60 | ― | ― | ― | ― | 643 | ― | ― | |||
| 70 | ― | 18 | 78 | 154 | 605 | 1,007 | 1,348 | |||
| 80 | ― | ― | ― | ― | ― | ― | ― | |||
| 90 | ― | ― | ― | ― | ― | ― | ― | |||
| 100 | ― | 15 | 80 | 158 | 515 | 854 | 1,141 | |||
| 急停扭矩 | Nm | L1,L2 | 3~100 | 3倍額定輸出扭矩 | 2.5倍額定輸出扭矩 | |||||
| 額定輸入轉速 N1N | rpm | L1,L2 | 3~100 | 3,000 | 3,000 | 3,000 | 2,500 | 2,500 | 2,500 | 2,000 |
| 最大輸入轉速 N1B | rpm | L1,L2 | 3~100 | 6,000 | 6,000 | 6,000 | 5,000 | 5,000 | 5,000 | 4,000 |
| 標準背隙 | arcmin | L1 | 3~10 | ≦8 | ≦8 | ≦6 | ≦6 | ≦6 | ≦6 | ≦6 |
| L2 | 15~100 | ≦12 | ≦12 | ≦8 | ≦8 | ≦8 | ≦8 | ≦8 | ||
| 扭轉剛性 | Nm/arcmin | L1,L2 | 3~100 | 2.6 | 3 | 10 | 30 | 55 | 145 | |
| 容許徑向力 F2rB2 | N | L1,L2 | 3~100 | 700 | 762 | 1,050 | 3,100 | 5,423 | 11,670 | 19,000 |
| 容許軸向力F2aB2 | N | L1,L2 | 3~100 | 350 | 380 | 525 | 1,550 | 2,712 | 5,835 | 9,500 |
| 保固期 | M | L1,L2 | 3~100 | 18 個月 | ||||||
全負載時效率
|
% | L1 | 3~10 | ≧98% | ||||||
| L2 | 15~100 | ≧95% | ||||||||
| 淨重 | kg | L1 | 3~10 | 0.5 | 1.05 | 2.9 | 7.46 | 15.1 | 26 | 50.3 |
| L2 | 15~100 | 0.69 | 1.34 | 3.75 | 9.44 | 18.9 | 34.33 | 66.1 | ||
| 毛重(含紙盒) | kg | L1 | 3~10 | 0.56 | 1.2 | 3.2 | 8.18 | 17 | 27.95 | 52.6 |
| L2 | 15~100 | ― | 1.49 | 4.05 | 10.16 | 20.8 | 36.28 | 68.4 | ||
| 使用溫度 | °C | L1,L2 | 3~100 | - 10°C ~ + 90ºC | ||||||
| 潤滑 | L1,L2 | 3~100 | 鋰基複合全合成潤滑油脂 | |||||||
| 安裝方向 | L1,L2 | 3~100 | 任意方向 | |||||||
| 防護等級 | L1,L2 | 3~100 | IP65 | |||||||
| 噪音值 | dBA | L1,L2 | 3~100 | ≦65 | ≦65 | ≦65 | ≦68 | ≦68 | ≦70 | ≦72 |
| 1. 上述單段減速機(未指定比數)相關規格,主要為使用各型號5比減速機所測得之數據 | ||||||||||
| 2. 減速比:i = 輸入轉速/輸出轉速 | ||||||||||
| 3. 背隙值:為在2%額定輸出扭矩下測試所得之數據 | ||||||||||
| 4. 最大徑向力及最大軸向力:施力於出力軸中心位置,週期負載時間50%,輸出轉速100rpm,條件下所測得之數據 | ||||||||||
| 5. 運轉負載週期<60%狀況下,平均使用壽命如列表數據值;負載週期≧60%之連續運轉狀況下,平均使用壽命可能會降低至 | ||||||||||
| 正常值的50%以下 | ||||||||||
| 6. 噪音值:距離1公尺,空載運轉,額定輸入轉速,條件下所測得之數據 | ||||||||||